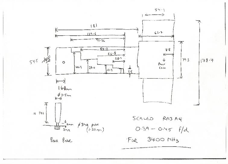
VK3NX
Australian Amateur Radio Station
( 9cm feed data )